Вилка включения заднего хода Т-150, 151.37.228-2, ХТЗ
Код товара:
151.37.228-2
Наличие:
В наличии
Цена :
2 500,00 грн./шт
2500
UAH
В наличии
Оптовые цены:
-
от 2 шт 3 100,00 грн.
Количество:
Позвольте себе надежного поставщика
Характеристики товара:
Характеристики товара:
Бренд:
ХТЗ
Назначение:
КПП и комплектующие
Производитель:
Оригинал
Состояние:
Новые
Страна производитель:
Украина
Совместимость с моделью:
Т-150
Совместимость с маркой:
ХТЗ
Описание товара
Вилка включения заднего хода Т-150, 151.37.228-2, ХТЗ

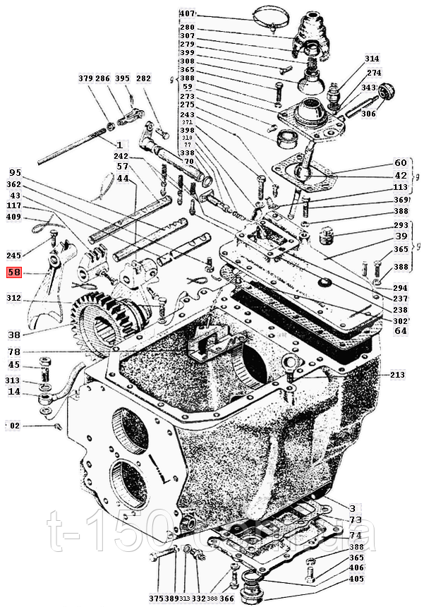
| № | Код | Наименование |
| 11 | 151.37.056-1 | Тяга блокировки в сборе |
| 14 | 151.37.063-1 | Трубка перепускная в сборе |
| 31 | 151.37.101-2 | Корпус коробки передач |
| 38 | 151.37.129-1 | Шестерня промежуточная заднего хода |
| 39 | 151.37.142-1 | Крышка ходоуменьшителя |
| 42 | 151.37.157 | Рычаг переключения рядов |
| 43 | 151.37.162-1 | Валик |
| 44 | 151.37.163-1 | Вилка заднего хода |
| 45 | 151.37.167 | Болт поворотного угольника |
| 57 | 151.37.227-1 | Валик |
| 58 | 151.37.228-2 | Вилка |
| 59 | 151.37.232-1 | Колонка малая |
| 60 | 151.37.233-1 | Прокладка |
| 64 | 151.37.238 | Прокладка |
| 70 | 151.37.248 | Валик блокировки |
| 73 | 151.37.267-2 | Прокладка |
| 74 | 151.37.268-2 | Крышка люка |
| 77 | 151.37.294-1 | Ограничитель |
| 78 | 151.37.297-1 | Кулиса |
| 95 | 151.37.357-2 | Валик |
| 113 | 151.37.420 | Указатель |
| 117 | 151.37.435 | Поводок двойной |
| 213 | 150.37.474 | Рым-болт М16 ГОСТ 4751-67 |
| 237 | 125.37.153 | Пружина фиксатора |
| 238 | 125.37.154 | Фиксатор |
| 242 | 125.37.259 | Фиксатор длинный |
| 243 | 125.37.270 | Винт установочный |
| 245 | 125.37.299 | Болт стопорный |
| 273 | 74.37.460 | Штифт |
| 274 | 74.37.476 | Прокладка регулировочная |
| 275 | 74.37.485 | Вставка |
| 279 | 54.37.462 | Пружина колпачка |
| 280 | 54.37.489 | Чехол |
| 282 | 54.20.405 | Палец |
| 286 | 14.38.528А | Вилка тяги блокировки |
| 293 | 7.37.028 | Пробка в сборе |
| 294 | 7.37.233 | Штифт |
| 302 | А03-12 | Штифт |
| 306 | А13.04.000А | Рукоятка |
| 307 | А37-60 | Упорная втулка |
| 308 | А37-63 | Колпачок |
| 310 | 5.43.130 | Пружина застежки |
| 312 | БПУ-20 | Болт поворотного угольника |
| 313 | ШПУ-20 | Шайба поворотного угольника |
| 314 | БК403-3716000 | Включатель |
| 332 | Н.036.04.005 | Штуцер |
| 338 | Кольцо Н2-20х16-2 ГОСТ 9833-61 | Кольцо Н2-20х16-2 ГОСТ 9833-61 |
| 343 | Шар IV 8мм Р ГОСТ 3722-60 | Шар IV 8мм Р ГОСТ 3722-60 |
| 362 | Болт 3М10-6gх16/66 ГОСТ 7796-70 | Болт 3М10-6gх16/66 ГОСТ 7796-70 |
| 365 | Болт М10-6gх30.66 ГОСТ 7796-70 | Болт М10-6gх30.66 ГОСТ 7796-70 |
| 366 | Болт М10-6gх40.66 ГОСТ 7795-70 | Болт М10-6gх40.66 ГОСТ 7795-70 |
| 369 | Болт М10-6gх55.66 ГОСТ 7795-70 | Болт М10-6gх55.66 ГОСТ 7795-70 |
| 371 | Болт М10-6gх70.66 ГОСТ 7795-70 | Болт М10-6gх70.66 ГОСТ 7795-70 |
| 375 | Болт М12-6gх55.88 ГОСТ 7795-70 | Болт М12-6gх55.88 ГОСТ 7795-70 |
| 379 | Болт 10-7Н.6 ГОСТ 5915-70 | Болт 10-7Н.6 ГОСТ 5915-70 |
| 388 | Шайба 10.65Г.05 ГОСТ 6402-70 | Шайба 10.65Г.05 ГОСТ 6402-70 |
| 389 | Шайба 12.65Г.05 ГОСТ 6402-70 | Шайба 12.65Г.05 ГОСТ 6402-70 |
| 395 | Шплинт 2х16 ГОСТ 397-66 | Шплинт 2х16 ГОСТ 397-66 |
| 398 | Заглушка 26 ГОСТ 3111-67 | Заглушка 26 ГОСТ 3111-67 |
| 399 | Заклепка 6х32.01 ГОСТ 10299-68 | Заклепка 6х32.01 ГОСТ 10299-68 |
| 402 | Пробка КГ 1/4" ГОСТ 12720-67 | Пробка КГ 1/4" ГОСТ 12720-67 |
| 405 | ПММ-39-Б | Пробка магнитная в сборе |
| 406 | КУ-39 | Кольцо уплотняющее |
| 407 | ХС-95 | Хомутик |
| 409 | ПЖ-1,6х300 | Проволока |
Оплата и доставка
Способы доставки
- Новая Почта(отделение)
- Новая Почта(курьер)
- САТ
- Деливери
- Самовывоз
- Повернення і обмін Відповідно до закону України «про захист прав споживачів» ви можете протягом 14 днів з моменту покупки повернути або обміняти товар, придбаний в магазині, за умови виконання всіх норм передбачених законом. Умови обміну / повернення товару належної якості стаття 9. Відповідно до закону України «про захист прав споживачів»: споживач має право обміняти непродовольчий товар належної якості на аналогічний у продавця, у якого він був придбаний, якщо товар не задовольнив його за формою, габаритами, фасоном, кольором, розміром або з інших причин не може бути ним використаний за призначенням. Споживач має право на обмін товару належної якості протягом чотирнадцяти днів, не рахуючи дня покупки. споживач (термін вживається в такому значенні згідно статті 1. п.22 закону України «про захист прав споживачів») – фізична особа, яка купує, замовляє, використовує або має намір придбати чи замовити продукцію для особистих потреб, не пов’язаних з підприємницькою діяльністю або виконанням обов’язків найманого працівника. обмін або повернення товару належної якості провадиться: якщо не використовувався; якщо збережено його товарний вигляд, споживчі властивості, пломби, ярлики; на підставі розрахунковий документ, виданий споживачеві разом з проданим товаром. умови обміну / повернення товару неналежної якості стаття 8. Згідно із законом України «про захист прав споживачів»: в разі виявлення протягом встановленого гарантійного строку недоліків споживач, в порядку та в строки, встановлені законодавством, має право вимагати безоплатного усунення недоліків товару в розумний строк. вимоги споживача, передбачених цією статтею, не підлягають задоволенню, якщо продавець, виробник (підприємство, що задовольняє вимоги споживача, встановлені частиною першою цієї статті) доведуть, що недоліки товару виникли внаслідок порушення споживачем правил користування товаром або його зберігання. Споживач має право брати участь у перевірці якості товару особисто або через свого представника.
Способы оплаты
- Онлайн оплата
- Безналичный расчёт
- Наличный расчёт
- Наложенный платеж
- Предоплата



