Сапун гидробака Т-150, 151.57.039, СССР
Код товара:
151.57.039
Наличие:
В наличии
Цена :
450,00 грн./шт
450
UAH
В наличии
Оптовые цены:
-
от 3 шт 400,00 грн.
Количество:
Позвольте себе надежного поставщика
Характеристики товара:
Характеристики товара:
Назначение:
Двигатель
Производитель:
Оригинал
Состояние:
Новые
Страна производитель:
Россия
Описание товара
Сапун гидробака Т-150, 151.57.039, СССР

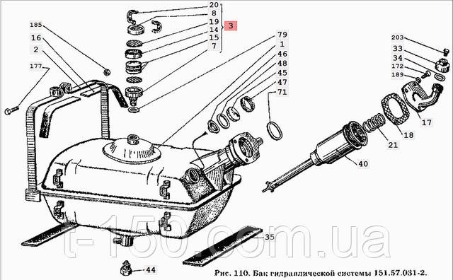
| № | Номер | Наименование |
| 1 | 151.57.031-2 | Бак гидравлической системы в сборе |
| 2 | 151.57.036-2 | Лента крепления бака передняя в сборе |
| 3 | 151.57.039 | Сапун в сборе |
| 7 | 151.57.044 | Корпус сапуна в сборе |
| 8 | 151.57.049 | Стакан верхний в сборе |
| 14 | 151.57.133 | Фильтр грубой очистки |
| 15 | 151.57.134 | Фильтр тонкой очистки |
| 16 | 161.57.147-1 | Прокладка верхняя |
| 17 | 151.57.156 | Крышка бака |
| 18 | 151.57.157 | Прокладка горловины |
| 19 | 151.57.159 | Сетка сапуна |
| 20 | 151.57.160 | Защелка |
| 21 | 151.57.163 | Пружина |
| 33 | 151.57.243 | Пробка |
| 34 | 151.57.244 | Прокладка пробки |
| 35 | 151.57.246 | Прокладка |
| 40 | 151.40.080 | Фильтр в сборе |
| 44 | 150.57.046 | Пробка спускная |
| 45 | 150.57.181-1 | Стекло смотровое |
| 46 | 150.57.182-1 | Экран |
| 47 | 150.57.183 | Гайка |
| 48 | 150.57.196-1 | Кольцо |
| 71 | 54.31.473-1 | Кольцо уплотнения |
| 74 | 25.20.162 | Рукоятка |
| 79 | 16.173А | Прокладка |
| 172 | Болт М8-6gх25.66 ГОСТ 7796-70 | |
| 177 | Болт М10-6gх65.66 ГОСТ 7795-70 | |
| 185 | Гайка М10-7Н.6 ГОСТ 5915-70 | |
| 189 | Шайба 8.65Г ГОСТ 6402-70 | |
| 203 | Пробка КГ 3/8" ГОСТ 12721-67 |
Оплата и доставка
Способы доставки
- Новая Почта(отделение)
- Новая Почта(курьер)
- САТ
- Деливери
- Самовывоз
- Повернення і обмін Відповідно до закону України «про захист прав споживачів» ви можете протягом 14 днів з моменту покупки повернути або обміняти товар, придбаний в магазині, за умови виконання всіх норм передбачених законом. Умови обміну / повернення товару належної якості стаття 9. Відповідно до закону України «про захист прав споживачів»: споживач має право обміняти непродовольчий товар належної якості на аналогічний у продавця, у якого він був придбаний, якщо товар не задовольнив його за формою, габаритами, фасоном, кольором, розміром або з інших причин не може бути ним використаний за призначенням. Споживач має право на обмін товару належної якості протягом чотирнадцяти днів, не рахуючи дня покупки. споживач (термін вживається в такому значенні згідно статті 1. п.22 закону України «про захист прав споживачів») – фізична особа, яка купує, замовляє, використовує або має намір придбати чи замовити продукцію для особистих потреб, не пов’язаних з підприємницькою діяльністю або виконанням обов’язків найманого працівника. обмін або повернення товару належної якості провадиться: якщо не використовувався; якщо збережено його товарний вигляд, споживчі властивості, пломби, ярлики; на підставі розрахунковий документ, виданий споживачеві разом з проданим товаром. умови обміну / повернення товару неналежної якості стаття 8. Згідно із законом України «про захист прав споживачів»: в разі виявлення протягом встановленого гарантійного строку недоліків споживач, в порядку та в строки, встановлені законодавством, має право вимагати безоплатного усунення недоліків товару в розумний строк. вимоги споживача, передбачених цією статтею, не підлягають задоволенню, якщо продавець, виробник (підприємство, що задовольняє вимоги споживача, встановлені частиною першою цієї статті) доведуть, що недоліки товару виникли внаслідок порушення споживачем правил користування товаром або його зберігання. Споживач має право брати участь у перевірці якості товару особисто або через свого представника.
Способы оплаты
- Онлайн оплата
- Безналичный расчёт
- Наличный расчёт
- Наложенный платеж
- Предоплата




