Ремкомплект фильтра центрифуги (ФЦОМ) ДТ-75, ДЗ-123 A-41
Характеристики товара:
Характеристики товара:Описание товара
Ремкомплект фильтра центрифуги (ФЦОМ) A-41-
Состав ремкомплекта:
1. Прокладка колпака - 1шт.
2. Прокладка корпуса - 1шт.
3. Кольцо ротора - 1шт.
4. Кольцо клапана - 1шт.
и любые другие запчасти к тракторной и с/х технике Вы найдете у нас по низким ценам в наличии и под заказ.

№ Код
Наименование
21 Шарикоподшипник 8103 ГОСТ 6874-54
Шарикоподшипник 8103 ГОСТ 6874-54
2 Шайба пружинная 10Н 65Г, ГОСТ
6402-61 Шайба пружинная 10Н 65Г, ГОСТ 6402-61
44 Шайба 15Х28Х3 Н495-66 Шайба
15Х28Х3 Н495-66
3 Шайба 11Х22Х2 Н495-66 Шайба
11Х22Х2 Н495-66
47 СМД7-1066 Кольцо
уплотняющее
19 СМД1-1028 Пробка
9 Проволока 01,2Х115, ГОСТ 3282-46
Проволока 01,2Х115, ГОСТ 3282-46
6 Пробка Ц18 КГ-1/4, ГОСТ 12720-67
Пробка Ц18 КГ-1/4, ГОСТ 12720-67
10 Н-6502 Пломба 8Х10
Н504-66
59 Болт М10Х50 кл. 2-015, ГОСТ
7796-62 Болт М10Х50 кл. 2-015, ГОСТ 7796-62
1 Болт М10Х30 кл. 2-015, ГОСТ 7796-62
Болт М10Х30 кл. 2-015, ГОСТ 7796-62
15 6Т2-1009 Прокладка
51 236-1003114В Кольцо стакана
форсунки уплотнительное
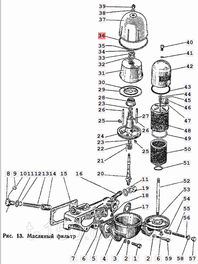
48 04-10с8 Секция фильтра
наружная в сборе
24 04-10с7 Ротор центробежного
фильтра очистки масла
04-10с6 Ротор центробежного
фильтра очистки масла со втулками в сборе
42 04-10с5-1 Колпак масляного
фильтра в сборе
04-10с4 Ротор центробежного
фильтра очистки масла в сборе
50 04-10с10 Секция фильтра
внутренняя в сборе
12 04-1050 Шайба
11 04-1049 Прокладка пробки
8 04-1048 Пробка клапана
13 04-1046 Пружина сливного
клапана
39 04-1042-1 Гайка
38 04-1041 Шайба
27 04-1040 Штифт
56 04-1037 Шайба
58 04-1034 Прокладка пробки
35 04-1033 Шайба упорная
41 04-1030 Прокладка
40 04-1029 Гайка
43 04-1028 Прокладка
колпака
45 04-1018 Пружина
36 04-1017 Прокладка
колпака
37 04-1016 Колпак центробежного
фильтра
32 04-1015 Шайба
22 04-1014 Кольцо стопорное
29 04-1013 Кольцо У-125Х120-2,
ГОСТ 9833-61
31 04-1012 Колпак ротора
центробежного фильтра очистки масла
25 04-1011 Сопло ротора
30 04-1010 Сетка заборных
трубок
26 04-1009 Трубка ротора
заборная
28 04-1008 Отражатель
ротора
23 04-1007 Втулка ротора
центробежного фильтра
20 04-1006 Ось ротора
центробежного фильтра очистки масла
49 04-1003 Прокладка
33 04-1002 Гайка
01-10с5 Проставка в сборе
01-10с4-1 Корпус масляного
фильтра в сборе
34 01-1032 Защелка
46 01-1031 Шайба
16 01-1015-1 Штуцер
18 01-1014 Штуцер ввертный
52 01-1013 Шпилька
54 01-1012-1 Клапан
перепускной
57 01-1011 Пробка клапана
5 01-1005 Прокладка корпуса
центробежного фильтра очистки масла
17 01-1004 Прокладка корпуса
масляного фильтра
53 01-1003 Корпус масляного
фильтра
7 01-1002 Проставка
4 01-1001-1 Корпус
центробежного фильтра очистки масла
14 01-0961-1А Стакан
предохранительного клапана
55 01-0916А Пружина клапана
Перезвоните нам, оставьте заявку и мы отправим Вам товар в любую точку Украины в течении 1-2 дней.
Оплата и доставка
- Новая Почта(отделение)
- Новая Почта(курьер)
- САТ
- Деливери
- Самовывоз
- Повернення і обмін Відповідно до закону України «про захист прав споживачів» ви можете протягом 14 днів з моменту покупки повернути або обміняти товар, придбаний в магазині, за умови виконання всіх норм передбачених законом. Умови обміну / повернення товару належної якості стаття 9. Відповідно до закону України «про захист прав споживачів»: споживач має право обміняти непродовольчий товар належної якості на аналогічний у продавця, у якого він був придбаний, якщо товар не задовольнив його за формою, габаритами, фасоном, кольором, розміром або з інших причин не може бути ним використаний за призначенням. Споживач має право на обмін товару належної якості протягом чотирнадцяти днів, не рахуючи дня покупки. споживач (термін вживається в такому значенні згідно статті 1. п.22 закону України «про захист прав споживачів») – фізична особа, яка купує, замовляє, використовує або має намір придбати чи замовити продукцію для особистих потреб, не пов’язаних з підприємницькою діяльністю або виконанням обов’язків найманого працівника. обмін або повернення товару належної якості провадиться: якщо не використовувався; якщо збережено його товарний вигляд, споживчі властивості, пломби, ярлики; на підставі розрахунковий документ, виданий споживачеві разом з проданим товаром. умови обміну / повернення товару неналежної якості стаття 8. Згідно із законом України «про захист прав споживачів»: в разі виявлення протягом встановленого гарантійного строку недоліків споживач, в порядку та в строки, встановлені законодавством, має право вимагати безоплатного усунення недоліків товару в розумний строк. вимоги споживача, передбачених цією статтею, не підлягають задоволенню, якщо продавець, виробник (підприємство, що задовольняє вимоги споживача, встановлені частиною першою цієї статті) доведуть, що недоліки товару виникли внаслідок порушення споживачем правил користування товаром або його зберігання. Споживач має право брати участь у перевірці якості товару особисто або через свого представника.
- Онлайн оплата
- Безналичный расчёт
- Наличный расчёт
- Наложенный платеж
- Предоплата

