Прокладка фланца водяного насоса ЯМЗ-7511 Евро, 7511-1303245/64229-130324
Код товара:
20260
Наличие:
В наличии
Цена :
20,00 грн./шт
20
UAH
В наличии
Количество:
Позвольте себе надежного поставщика
Характеристики товара:
Характеристики товара:
Состояние:
Новые
Производитель:
Оригинал
Страна производитель:
Украина
Марка:
КамАЗ
Назначение:
Впускная и выпускная системы
Тип техники:
Сельскохозяйственная техника
Вид прокладки:
Масляного поддона
Состояние:
Новое
Описание товара
Прокладка фланца водяного насоса ЯМЗ-7511 (Евро), 7511-1303245/64229-130324

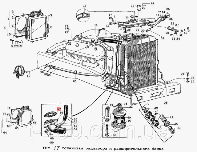
| № | Код | Наименование |
| 1 | 64227-1309016 | Уплотнитель |
| 2 | 64227-1309012 | Кожух |
| 3 | 64227-1309015 | Уплотнитель |
| 4 | 64227-1309011 | Кожух |
| 5 | 54325.1301010-01 | Радиатор |
| 6 | 64229-1301009 | Радиатор с кожухом |
| 7 | 5432-1310058 | Уплотнитель боковой правый |
| 8 | 5432-1310059 | Уплотнитель боковой левый |
| 9 | 201458 | Болт М8-6gх25 |
| 10 | 252004 | Шайба 6 ОСТ 37.001.144 -96 |
| 11 | 252134 | Шайба 6Т |
| 12 | 250508 | Гайка М6-6Н ОСТ 37.001.124 -75 |
| 13 | 500-1303160 | Хомутик в сборе |
| 14 | 297575 | Шплинт 5,6х22 |
| 15 | 297580 | Пряжка |
| 16 | 297588 | Лента |
| 17 | 5336-1304030 | Трубка |
| 18 | 379051 | Угольник |
| 19 | 5336-1304032-01 | Трубка |
| 20 | 379053 | Угольник топливопровода диаметр 10 мм |
| 21 | 297582 | Лента |
| 22 | 64229-1305010 | Краник сливной |
| 23 | 256Б-1304010 | Пробка |
| 24 | 6422-1304014 | Трубка |
| 25 | 64221-1311053 | Пробка |
| 26 | 052-058-36-2-3 | Кольцо уплотнительное |
| 27 | 6422-1304084 | Уплотнитель |
| 28 | 504В-1013108 | Шланг |
| 29 | 6422-1311057-01 | Прокладка |
| 30 | 5336-1303010 | Шланг радиатора подводящий (1-420 мм, диаметр 42Х52) |
| 31 | 6422-1304034 | Упор |
| 32 | 64229-1303506 | Хомут |
| 33 | 201418 | Болт М6-6g |
| 34 | 379204 | Кляммер |
| 35 | 201499 | Болт М10-6gх30 |
| 36 | 252136 | Шайба 10 ОТ |
| 37 | 250512 | Гайка М10х1-6Н |
| 38 | 6422-1302137-10 | Тяга |
| 39 | 250615 | Гайка М12х1,25-6Н |
| 40 | 5335-1302063 | Чашка малая |
| 41 | 500-1302138 | Втулка распорная |
| 42 | 500-3508139 | Подушка малая |
| 43 | 205157 | Болт 2М12х1,25-6gх70 |
| 44 | 252018 | Шайба 12 |
| 45 | 500-1302124 | Втулка распорная |
| 46 | 204-1302062 | Чашка подушки |
| 47 | 258040 | Шплинт 3,2х25 |
| 48 | 250977 | Гайка М12х1,25-6Н |
| 49 | 250513 | Гайка М10х1-6Н |
| 50 | 252136 | Шайба 10 ОТ |
| 51 | 5336-8101310 | Краник отопителя |
| 52 | 6422-1303025 | Шланг радиатора отводящий (1-176 мм, диаметр 60х70) |
| 53 | 64229-1303530 | Хомут |
| 54 | 64229-1303650 | Хомут |
| 55 | 6422-1303168 | Рукав |
| 56 | 6422-1303240 | Патрубок |
| 57 | 64229-1303245 | Прокладка |
| 58 | 64229-1303514 | Хомут |
| 59 | 401870 | Кляммер |
| 60 | 6422-1014011 | Кронштейн |
| 61 | 6422-1014012 | Кожух |
| 62 | 5551-1309011-02 | Кожух |
| 63 | 5551-1301010.04 | Радиатор |
| 64 | 5551-1301009-01 | Радиатор в сборе |
| 65 | 5335-1310059 | Уплотнитель радиатора левый |
| 66 | 5335-1310058 | Уплотнитель радиатора правый |
| 67 | 64229.1353514 | Хомут |
| 68 | 504В-1311048 | Шланг |
| 69 | 204-1302060-01 | Подушка |
| 70 | 6422-1303172 | Шланг |
| 71 | 64227-1311010 | Расширительный бачок в сборе |
Оплата и доставка
Способы доставки
- Новая Почта(отделение)
- Новая Почта(курьер)
- САТ
- Деливери
- Самовывоз
- Повернення і обмін Відповідно до закону України «про захист прав споживачів» ви можете протягом 14 днів з моменту покупки повернути або обміняти товар, придбаний в магазині, за умови виконання всіх норм передбачених законом. Умови обміну / повернення товару належної якості стаття 9. Відповідно до закону України «про захист прав споживачів»: споживач має право обміняти непродовольчий товар належної якості на аналогічний у продавця, у якого він був придбаний, якщо товар не задовольнив його за формою, габаритами, фасоном, кольором, розміром або з інших причин не може бути ним використаний за призначенням. Споживач має право на обмін товару належної якості протягом чотирнадцяти днів, не рахуючи дня покупки. споживач (термін вживається в такому значенні згідно статті 1. п.22 закону України «про захист прав споживачів») – фізична особа, яка купує, замовляє, використовує або має намір придбати чи замовити продукцію для особистих потреб, не пов’язаних з підприємницькою діяльністю або виконанням обов’язків найманого працівника. обмін або повернення товару належної якості провадиться: якщо не використовувався; якщо збережено його товарний вигляд, споживчі властивості, пломби, ярлики; на підставі розрахунковий документ, виданий споживачеві разом з проданим товаром. умови обміну / повернення товару неналежної якості стаття 8. Згідно із законом України «про захист прав споживачів»: в разі виявлення протягом встановленого гарантійного строку недоліків споживач, в порядку та в строки, встановлені законодавством, має право вимагати безоплатного усунення недоліків товару в розумний строк. вимоги споживача, передбачених цією статтею, не підлягають задоволенню, якщо продавець, виробник (підприємство, що задовольняє вимоги споживача, встановлені частиною першою цієї статті) доведуть, що недоліки товару виникли внаслідок порушення споживачем правил користування товаром або його зберігання. Споживач має право брати участь у перевірці якості товару особисто або через свого представника.
Способы оплаты
- Онлайн оплата
- Безналичный расчёт
- Наличный расчёт
- Наложенный платеж
- Предоплата

